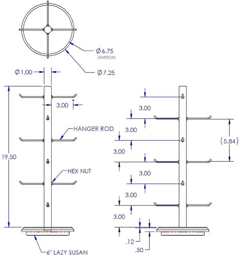
Jewelry Display Merchandising Rotating Earring Display Product ID: 891021-3000 Description: Rotating Earring Display Length: 7.25″ Depth: 20.50″ Color: Clear and Mirrored Acrylic Material: Acrylic with Metal Hooks Browse Our Product Line Categories COVID-19 & SanitationConvenience StoreGrocery and RetailMerchandisersSecurity & Asset Protection