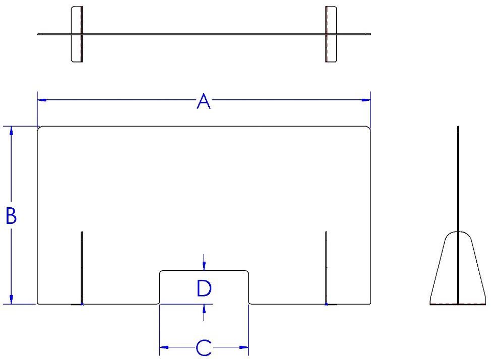
Barriers / Panels Sneeze Guards Sanitary Barrier W/ Pass Thru Reference: 171214-3150 Description: Sanitary Barrier with centered pass thru. Product available in various sizes and/or material types. Contact sales for product availability or to request a quote. Browse Our Product Line Categories COVID-19 & SanitationConvenience StoreGrocery and RetailMerchandisersSecurity & Asset Protection